Контакты
Новости
Каталоги
 Войти
Сортировать:
Сначала новые
Сначала старые
Цена ↑
Цена ↓
Кол-во ↑
Кол-во ↓
Имя A→Я
Имя Я→A
Серийник ↑
Серийник ↓
47715007 - Скоба
3 401 ₽
47715096 - Оголовок трубы выхл. ДВС T8./Mg. с 14г.в.
34 162 ₽
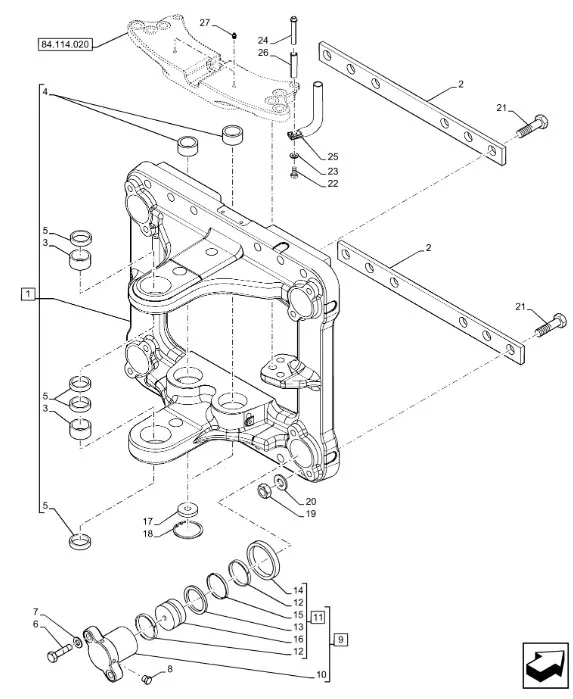
AGCO0915-88-34-00 -
846 ₽
AGCO19575X
846 ₽
AGCO3016598X1
846 ₽
GASKET
846 ₽
RING
846 ₽
RING
846 ₽
PIVOT
846 ₽
BEARING
846 ₽
BEARING
846 ₽
GASKET
846 ₽
KEY
846 ₽
CAGE
846 ₽
47715255 - Прямоугольная планка
12 882 ₽
47715365 - Шланг гидравлический
23 707 ₽
47715391 - Фильтркартридж КПП гидравл. T7/Pm., T6/Maxx. с 16 г.в.
26 781 ₽
47715392 - фильтр
43 835 ₽
47715477 - трубка
1 136 ₽
47715479 - трубка
3 882 ₽
47715498 -
4 848 ₽
47715645 - Верхний кожух
8 445 ₽
47715647 - насос
217 518 ₽
47715648 - насос
185 586 ₽
«
<
1
...
33708
33709
33710
33711
33712
...
34117
>
»
Страница:
Перейти